BECEzone

THE WEST AFRICAN EXAMINATIONS COUNCIL
GHANA

Basic Education Certificate Examination

SCIENCE 2018

THEORY QUESTIONS

ESSAY

This paper is in two parts: I and II. Answer Question 1 in part I and any other four question in part II


PART I
[40 marks]


Answer all of Question 1

    1. The diagram below is an illustration of a fish.

      Study the diagram carefully and answer the questions that follow.

      1. Identify the fish.

      2. Name each of the parts labeled I, II, III, V.

      3. Name that habitat of the fish.

      4. Explain how each of the parts labelled III and VI enables the fish adapt to its habitat.

    2. The diagram below is an illustration of a section through the soil.

      Study the diagram carefully and answer the questions that follow.

      1. What does the diagram represent?

      2. Name each of the parts labelled I, II, III, IV.

      3. Which part of the diagram:

        α) is the richest in humus?

        β) is the habitat for soil organisms?

        γ) undergoes weathering?

      4. What is the effect of heavy rainfall on the part labelled I?

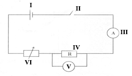
    3. The diagram below is an illustration of an electrical circuit.

      Study the diagram carefully and answer the questions that follow.

      1. Name each of the parts labelled I, II, IV, VI.

      2. State the energy transformation that takes place in:

        α) I

        β) IV

      3. State the S.I units of the quantity measured by each of the parts labelled:

        α) III

        β) V

      4. State the function of the part labelled VI.

    4. In an experiment, equal volumes and equal concentrations of dilute hydrochloric acid and dilute sodium hydroxide solutions were each placed in different test tubes.

      Read the following statements carefully.

      1. Both red and blue litmus papers were dipped into each of the solutions in turns.

      2. Equal volumes of the solutions were mixed to obtain a third solution.

      3. Both red and blue litmus papers were dipped into the third solution.

      Use the information provided to answer the following questions.

      1. Explain briefly how you can identify each of the solutions:

        α) Hydrochloric acid

        β) Sodium hydroxide

      2. State the types of reaction that occurred when the two solutions were mixed.

      3. What type of solution was formed when the reaction stated in (ii) occurred?

      4. State what would be observed when both red and blue litmus papers were dipped into the third solution.

      5. Explain how the solid portion of the solution named in (iii) could be obtained.